Кейс - точная копия без чертежей

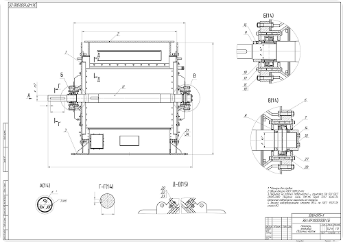
По техническому заданию заказчика выполнено воспроизведение сегмента ротора мельницы, характеризующегося сложной геометрией. В процессе работы были выполнены мероприятия по измерению геометрических параметров, выбору подходящего материала, установлению допусков.
Сегмент ротора мельницы представляет собой деталь с усложнённой пространственной конфигурацией, требующей высокой точности при воссоздании геометрии. Восстановление изделия начинается с этапа реверс-инжиниринга, включающего комплексный анализ оригинального компонента.
На начальной стадии выполняется 3D-сканирование с последующей метрологической проверкой геометрических параметров. Проводится спектральный анализ для определения химического состава материала, а также измеряется твёрдость рабочей поверхности. Эти данные позволяют достоверно воспроизвести форму, свойства материала и технологию изготовления.
Обработанное облако точек используется для построения параметрической 3D-модели в CAD-среде. При разработке цифрового аналога учитываются требования к прочности, износостойкости и технологичности изготовления.
При необходимости конструкция корректируется: осуществляется замена исходных материалов на более современные аналоги либо вносятся изменения в отдельные элементы формы с целью повышения эксплуатационной надёжности и оптимизации производственного процесса.





Клиенту была передана воссозданная деталь с геометрическими параметрами, идентичными оригинальному изделию. Конструкторская документация была разработана в полном соответствии с требованиями ЕСКД, с применением актуальных государственных стандартов (ГОСТ). Также была подготовлена модель, полностью готовая к передаче в производство.
Ряд наших последних работ по различным направлениям реверсивного инжениринга

Кейс - точная копия без чертежей

Кейс - точная копия без чертежей

Кейс - точная копия без чертежей

Кейс - точная копия без чертежей

Кейс - точная копия без чертежей

Кейс - точная копия чертежей

Кейс - точная копия без чертежей

Кейс - точная копия без чертежей

Кейс - точная копия без чертежей

Кейс - точная копия без чертежей

Кейс - точная копия без чертежей

Кейс - точная копия чертежей

Кейс - точная копия без чертежей

Кейс - точная копия без чертежей

Кейс - точная копия без чертежей

Кейс - точная копия без чертежей

Кейс - точная копия без чертежей

Кейс - точная копия чертежей

Кейс - точная копия без чертежей

Кейс - точная копия без чертежей

Кейс - точная копия без чертежей

Кейс - точная копия без чертежей

Кейс - точная копия без чертежей

Кейс - точная копия чертежей
