Кейс - точная копия без чертежей

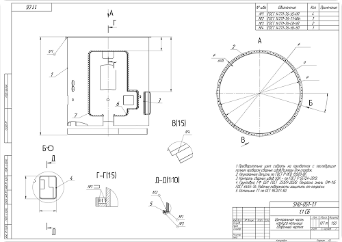
По техническому заданию заказчика потребовалось воссоздать корпус мельницы, отличающийся крупными габаритами и сложной конструкцией. В рамках проекта были выполнены работы по восстановлению геометрии, выбору соответствующего материала, установлению необходимых допусков.
Корпус мельницы — массивная деталь, характеризующаяся значительными габаритами и сложной конфигурацией, что предъявляет повышенные требования к точности воспроизведения при восстановлении.
Первоначальный этап включает проведение высокоточного 3D-сканирования поверхности с применением современных средств измерения. Дополнительно осуществляются контрольные обмеры ключевых участков для верификации геометрии.
Одновременно проводится комплекс материаловедческих исследований, включая спектральный анализ для определения химического состава и измерение твердости. Это позволяет получить достоверные данные о физико-механических свойствах материала, необходимых для последующего проектирования.
На основе полученного облака точек производится обработка данных. Далее осуществляется построение точной CAD-модели, ориентированной на соблюдение эксплуатационных характеристик — прочности, термостойкости, устойчивости к износу и другим требованиям, обусловленным условиями работы корпуса мельницы.




Клиенту была передана воссозданная деталь с геометрическими параметрами, идентичными оригинальному изделию. Конструкторская документация была разработана в полном соответствии с требованиями ЕСКД, с применением актуальных государственных стандартов (ГОСТ). Также была подготовлена модель, полностью готовая к передаче в производство.
Ряд наших последних работ по различным направлениям реверсивного инжениринга

Кейс - точная копия без чертежей

Кейс - точная копия без чертежей

Кейс - точная копия без чертежей

Кейс - точная копия без чертежей

Кейс - точная копия без чертежей

Кейс - точная копия чертежей

Кейс - точная копия без чертежей

Кейс - точная копия без чертежей

Кейс - точная копия без чертежей

Кейс - точная копия без чертежей

Кейс - точная копия без чертежей

Кейс - точная копия чертежей

Кейс - точная копия без чертежей

Кейс - точная копия без чертежей

Кейс - точная копия без чертежей

Кейс - точная копия без чертежей

Кейс - точная копия без чертежей

Кейс - точная копия чертежей

Кейс - точная копия без чертежей

Кейс - точная копия без чертежей

Кейс - точная копия без чертежей

Кейс - точная копия без чертежей

Кейс - точная копия без чертежей

Кейс - точная копия чертежей
