Кейс - точная копия без чертежей

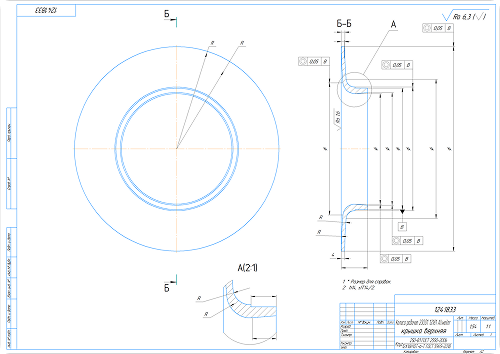
По техническому заданию клиента требовалось воспроизвести рабочее колесо (импеллер) со сложной геометрией. Задача включала точное восстановление формы, подбор материала и определение допусков.
Рабочее колесо (импеллер) — высокоточная деталь, отличающаяся сложной геометрией и высокими требованиями к динамической балансировке, что делает его воспроизведение в реверс-инжиниринге задачей, требующей повышенной точности.
Начальный этап включает высокоточное 3D-сканирование поверхности с использованием современных метрологических инструментов. Дополнительно выполняются контрольные измерения ключевых элементов, таких как лопасти и ступица, для подтверждения геометрической точности.
Параллельно проводится материаловедческий анализ, включающий спектральный анализ для определения химического состава и измерение твердости. Это обеспечивает точные данные о физико-механических характеристиках материала, необходимых для дальнейшего проектирования.
На основе полученного облака точек выполняется обработка данных. Затем создается точная CAD-модель, учитывающая эксплуатационные параметры — прочность, гидродинамическую эффективность, износостойкость и другие требования, связанные с условиями работы импеллера.





Клиенту была передана воссозданная деталь с геометрическими параметрами, идентичными оригинальному изделию. Конструкторская документация была разработана в полном соответствии с требованиями ЕСКД, с применением актуальных государственных стандартов (ГОСТ). Также была подготовлена модель, полностью готовая к передаче в производство.
Ряд наших последних работ по различным направлениям реверсивного инжениринга

Кейс - точная копия без чертежей

Кейс - точная копия без чертежей

Кейс - точная копия без чертежей

Кейс - точная копия без чертежей

Кейс - точная копия без чертежей

Кейс - точная копия чертежей

Кейс - точная копия без чертежей

Кейс - точная копия без чертежей

Кейс - точная копия без чертежей

Кейс - точная копия без чертежей

Кейс - точная копия без чертежей

Кейс - точная копия чертежей

Кейс - точная копия без чертежей

Кейс - точная копия без чертежей

Кейс - точная копия без чертежей

Кейс - точная копия без чертежей

Кейс - точная копия без чертежей

Кейс - точная копия чертежей

Кейс - точная копия без чертежей

Кейс - точная копия без чертежей

Кейс - точная копия без чертежей

Кейс - точная копия без чертежей

Кейс - точная копия без чертежей

Кейс - точная копия чертежей
